Passer au contenu principal
SOMMAIRE
SOMMAIRE
  • Home
    • RESENTATION DE LA FORMATION P.M.I.A M.S.P.C
  • A1 PREPARATION, SECURISATION ET CLOTURE DE SON INTERENTION
    • Etude fonctionnelle
    • SECURITE
      • E.P.I
      • La Consignation
      • Livret de sécurité
      • Habilitation Electrique
    • FABRICATION
      • Les outils de traçage
      • Le taraudage
      • Plier une tôle
      • Principe du cisaillement
      • Le chasse cône
      • Soudure MAG
      • Souder au chalumeau oxyacétylénique
      • Le perçage
      • Visseries
    • SYSTEMES
      • Mise en service
      • Fonction globale
      • Structure fonctionnelle d'un système
    • COMPOSANTS ELECTRIQUES
      • Symboles Electriques
      • Code couleur des Voyants et Boutons
      • Le bouton poussoir
      • Arrêt d'urgence
      • Les Sélecteurs Trois Positions
      • Le relais
      • Démarrage moteur (PUISSANCE)
      • Le Contacteur
      • Reconnaitre des composants électriques
      • L'Interrupteur sectionneur
      • S'informer sur le sectionneur porte fusibles
      • S'informer sur le relais thermique
      • Les capteurs
      • S'informer sur le Moteur Asynchrone
    • COMPOSANTS PNEUMATIQUES
      • Symboles Pneumatiques
      • Reconnaitre des composants pneumatiques
      • Conditionnement d'air
      • Réducteur de Débit Unidirectionnel (R.D.U)
      • Le Filtre Pneumatique
      • Le Lubrificateur Pneumatique
      • Le Régulateur de Pression ou Détendeur
      • Le Manomètre
      • Les vérins Pneumatiques
      • Les Vérins Pneumatiques Synthèse
      • Accessoires Montage des vérins
      • Les Distributeurs Pneumatiques
      • Générateur de Vide (L’effet Venturi)
      • Le VACUOSTAT
      • Le silencieux
      • Le Pressostat
    • COMPOSANTS HYDRAULIQUES
      • Symboles Hydrauliques
      • Distributeur Hydraulique 4/3
      • Le limiteur de pression hydraulique
      • Reconnaitre des composants hydrauliques
      • Les familles de Pompe Hydraulique
      • Groupe Hydraulique
    • GESTION MAINTENANCE
      • PARETO
      • Fiabilité
  • A2 MAINTENANCE PREVENTIVE
    • Le mandrin
    • Démonter un vérin
    • Etude d'un Etau
    • Montage et démontage des roulements d’un moteur
    • Joints
    • Le pied à coulise
    • Visseries
  • A3 MAINTENACE CORRECTIVE
    • DIAGNOSTIQUER DES PANNES
      • Contrôler un moteur éclectique
      • Le Multimètre
    • REALISER DES DEPANNAGES, DES REPARATIONS
      • Démonter un Contacteur
      • Remplacement de la trappe MALAXEUR
      • Déposer le Motoréducteur Malaxeur
      • Démonter le Motoréducteur MALAXEUR
      • Remplacer les jeux de couteaux de l’ECOLBROYEUR (Montage Chaine)
      • Remplacer les jeux de couteaux de l’ECOLBROYEUR (Montage Limiteur de couple)
      • Sous ensemble RAVOUX
      • Démonter Pompe Centrifuge
      • Démonter Pompe Volumétrique
    • Gamme de démontage Filorgamme
      • Filagramme Moto-réducteur MALAXEUR
      • Filagramme Moto-réducteur Dégroupeur
      • Filogramme Boite à vitesse
    • COMPOSANTS RAVOUX
      • COMPOSANTS ELECTRIQUES ARMOIRE RAVOUX
        • Alimentation U1
        • Le Transformateur T1
        • Interrupteur Sectionneur Q1
        • Disjoncteur Différenciel Q2
        • Disjoncteur Magnéto-Thermique Q4
        • Disjoncteur Magnéto-Thermique Q5-6-7-8-9-10
        • Portes fusibles Q11-Q12-Q13
        • Contacteur KM1
        • Contacteur KM2
        • Contacteur KM3
        • Contacteurs K1 et K2
        • Relais KA1
        • Relais KA2
        • Relais KA3
        • Module de sécurité
        • Automate TSX-17
      • COMPOSANTS PNEUMATIQUES RAVOUX
        • DG1 Distributeur d'isolement
        • F1 Filtre
        • R1 Mano détendeur (Régulateur de pression)
        • G1 Manomètre
        • YVG Distributeur Général
        • OSP Pressostat
        • 1D Distributeur
        • 2D Distributeur
        • 3D Distributeur
        • 4D Distributeur
        • 5D Distributeur
        • 6D Distributeur
        • 7D Distributeur
        • 8D Distributeur
      • PUPITRE RAVOUX
        • Voyant (Mise en service H3)
        • Amplificateur S5
      • CAPTEURS RAVOUX
        • CAPTEUR S5
        • CAPTEUR S6
        • CAPTEUR S7
        • CAPTEUR S22
        • CAPTEUR S23
        • CAPTEUR S24
        • CAPTEUR S25
        • CAPTEUR S26
        • CAPTEUR S27
        • CAPTEUR S28
    • COMPOSANTS PALETTICC
      • COMPOSANTS ELECTRIQUES PALETTICC
        • Le transformateur T1
        • Alimentation AL1
        • Disjoncteur magnétothermique DJ1
        • Sectionneur porte fusibles SQ1
        • Portes fusibles FU
        • Relais Thermique RT1
        • Contacteur KM1
        • Contacteur KM2
        • Contacteur KM3
        • Contacteur KM4
        • Contacteur KM5
        • Contacteur KM6
        • Contacteur KM7
        • Automate TSX
      • COMPOSANTS PNEUMATIQUES PALETTICC
        • Distributeur EV1
        • Distributeur EV1 (débloquer les bloqueurs)
        • Distributeur EV2
        • Distributeur EV3
        • Distributeur EV4
        • Distributeur EV5
        • Groupe de conditionnement
        • Bloqueurs pneumatiques
      • CAPTEURS PALETTICC
        • Capteur Fc1
        • Capteur Fc2
        • Capteur Fc4
        • Capteur Fc7
        • Capteur Fc8
        • Capteur Fc9
        • Interrupteur de sécurité Fc10
        • Capteur D1
        • Capteur D2
        • Capteur D3
        • Capteur D4
        • Capteur D7
        • Capteur D8
        • Capteur D9
        • Capteur D10
        • Capteur D11
        • Pressostat D12
  • A4 AMELIORATION CONTINUE
    • Module de sécurité
    • Fiche Technique : Module de sécurité PREVENTA
  • DOSSIERS SYSTEMES
    • Système RAVOUX
      • Dossier RAVOUX
      • Analyse de fonctionnement
      • Schémas Electriques RAVOUX
      • Schémas Pneumatiques RAVOUX
    • Système ECOLPAP
      • Schémas Electriques ECOLPAP
      • Schémas Pneumatiques ECOLPAP
      • Schémas Hydrauliques ECOLPAP
      • Ressources ECOLPAP
      • Documentation complète ECOLPAP
    • Système MALAXEUR
      • Schémas Electriques MALAXEUR
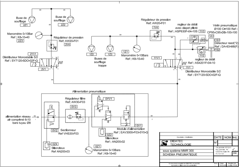
      • Schémas Pneumatiques MALAXEUR
      • Documentation complète MALAXEUR
    • Système PALETTICC
      • Schémas Electriques PALETTICC
      • Schémas Pneumatiques PALETTICC
      • Dossier PALETTICC
    • Système DEGROUPEUR
      • Schémas Electriques DEGROUPEUR
      • Dossier Technique DEGROUPEUR
      • F1.1 – Fiche signalétique
      • F1.2 – Fiche technique
      • F2.1– Définitions des Entrées-Sorties
      • F2.2 – Instructions d'installation
      • F2.3 - Instructions d’utilisation
      • F2.4 – Instructions de maintenance
    • Système EXTRUDICC
      • Schémas Electrique EXTRUDICC
      • Dossier Technique EXTRUDICC
    • Système ECOLBROYEUR
      • Schémas Electriques ECOLBROYEUR
      • Dossier de présentation
      • Dossier d'instructions et de conduite
      • Dossier technique Constructeur
      • Dossier Technique Mécanique
  • CATALOGUES CONSTRUCTEURS
    • Catalogue Roulements
    • Catalogue Outillages
  • FICHES Construction
    • TUTO Installation SolidWorks
    • LECON 1 TELECHARGER FUSION.
    • LECON 2 LE CUBE
    • LECON 3 CREUSER UN CYLINDRE SUR UN COTE DU CUBE
  • LEXIQUE
  • PROJETS
    • Perceuse
SYSTEME MALAXEUR
HOME
VERS SYSTEME MALAXEUR

Créez votre propre site internet avec Webador

© 2021 - 2026 MSPC MARC SEGUIN
Propulsé par Webador