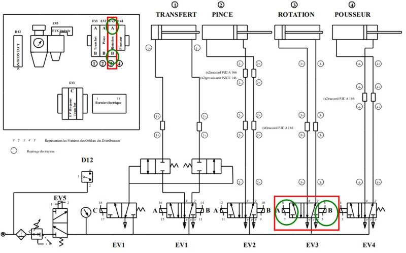
Distributeur EV3



Le distributeur EV3 commande le vérin de rotation de la pince




PRINCIPE :

Lorsque la sortie Q4.6 est actionnée par l'automate, la bobine du distributeur EV3a est alimentée, le tiroir du distributeur EV3 change de position, permettant d'envoyer l'air dans le vérin 3. Ainsi la tige du vérin ROTATION sort 

Lorsque la sortie Q4.7 est actionnée par l'automate, la bobine du distributeur EV3b est alimentée, le tiroir du distributeur EV3 change de position, permettant d'envoyer l'air dans le vérin 3. Ainsi la tige du vérin ROTATION rentre


Bobine du distributeur Ev3a alimentée

Bobine du distributeur Ev3b alimentée

Créez votre propre site internet avec Webador