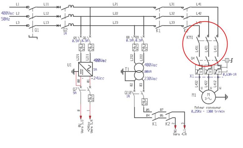
Contacteur KM1

Schéma de puissance

Schéma de commande

pour que la bobine KM1 soit alimentée, il faut que le contact KA1 soit fermé


la fonction du contacteur :

Établir et interrompre le circuit de puissance

Créez votre propre site internet avec Webador