Passer au contenu principal
SOMMAIRE
SOMMAIRE
Home
RESENTATION DE LA FORMATION P.M.I.A M.S.P.C
A1 PREPARATION, SECURISATION ET CLOTURE DE SON INTERENTION
Etude fonctionnelle
SECURITE
E.P.I
La Consignation
Livret de sécurité
Habilitation Electrique
FABRICATION
Les outils de traçage
Le taraudage
Plier une tôle
Principe du cisaillement
Le chasse cône
Soudure MAG
Souder au chalumeau oxyacétylénique
Le perçage
Visseries
SYSTEMES
Mise en service
Fonction globale
Structure fonctionnelle d'un système
COMPOSANTS ELECTRIQUES
Symboles Electriques
Code couleur des Voyants et Boutons
Le bouton poussoir
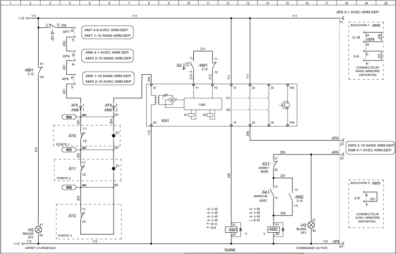
Arrêt d'urgence
Les Sélecteurs Trois Positions
Le relais
Démarrage moteur (PUISSANCE)
Le Contacteur
Reconnaitre des composants électriques
L'Interrupteur sectionneur
S'informer sur le sectionneur porte fusibles
S'informer sur le relais thermique
Les capteurs
S'informer sur le Moteur Asynchrone
COMPOSANTS PNEUMATIQUES
Symboles Pneumatiques
Reconnaitre des composants pneumatiques
Conditionnement d'air
Réducteur de Débit Unidirectionnel (R.D.U)
Le Filtre Pneumatique
Le Lubrificateur Pneumatique
Le Régulateur de Pression ou Détendeur
Le Manomètre
Les vérins Pneumatiques
Les Vérins Pneumatiques Synthèse
Accessoires Montage des vérins
Les Distributeurs Pneumatiques
Générateur de Vide (L’effet Venturi)
Le VACUOSTAT
Le silencieux
Le Pressostat
COMPOSANTS HYDRAULIQUES
Symboles Hydrauliques
Distributeur Hydraulique 4/3
Le limiteur de pression hydraulique
Reconnaitre des composants hydrauliques
Les familles de Pompe Hydraulique
Groupe Hydraulique
GESTION MAINTENANCE
PARETO
Fiabilité
A2 MAINTENANCE PREVENTIVE
Le mandrin
Démonter un vérin
Etude d'un Etau
Montage et démontage des roulements d’un moteur
Joints
Le pied à coulise
Visseries
A3 MAINTENACE CORRECTIVE
DIAGNOSTIQUER DES PANNES
Contrôler un moteur éclectique
Le Multimètre
REALISER DES DEPANNAGES, DES REPARATIONS
Démonter un Contacteur
Remplacement de la trappe MALAXEUR
Déposer le Motoréducteur Malaxeur
Démonter le Motoréducteur MALAXEUR
Remplacer les jeux de couteaux de l’ECOLBROYEUR (Montage Chaine)
Remplacer les jeux de couteaux de l’ECOLBROYEUR (Montage Limiteur de couple)
Sous ensemble RAVOUX
Démonter Pompe Centrifuge
Démonter Pompe Volumétrique
Gamme de démontage Filorgamme
Filagramme Moto-réducteur MALAXEUR
Filagramme Moto-réducteur Dégroupeur
Filogramme Boite à vitesse
COMPOSANTS RAVOUX
COMPOSANTS ELECTRIQUES ARMOIRE RAVOUX
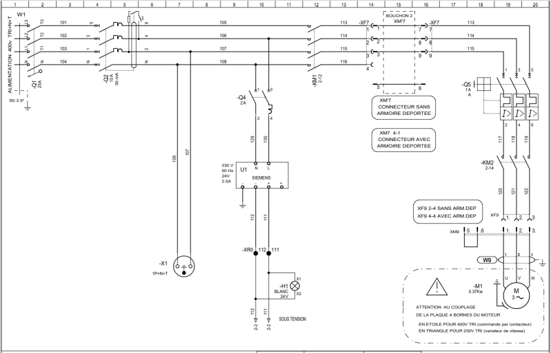
Alimentation U1
Le Transformateur T1
Interrupteur Sectionneur Q1
Disjoncteur Différenciel Q2
Disjoncteur Magnéto-Thermique Q4
Disjoncteur Magnéto-Thermique Q5-6-7-8-9-10
Portes fusibles Q11-Q12-Q13
Contacteur KM1
Contacteur KM2
Contacteur KM3
Contacteurs K1 et K2
Relais KA1
Relais KA2
Relais KA3
Module de sécurité
Automate TSX-17
COMPOSANTS PNEUMATIQUES RAVOUX
DG1 Distributeur d'isolement
F1 Filtre
R1 Mano détendeur (Régulateur de pression)
G1 Manomètre
YVG Distributeur Général
OSP Pressostat
1D Distributeur
2D Distributeur
3D Distributeur
4D Distributeur
5D Distributeur
6D Distributeur
7D Distributeur
8D Distributeur
PUPITRE RAVOUX
Voyant (Mise en service H3)
Amplificateur S5
CAPTEURS RAVOUX
CAPTEUR S5
CAPTEUR S6
CAPTEUR S7
CAPTEUR S22
CAPTEUR S23
CAPTEUR S24
CAPTEUR S25
CAPTEUR S26
CAPTEUR S27
CAPTEUR S28
COMPOSANTS PALETTICC
COMPOSANTS ELECTRIQUES PALETTICC
Le transformateur T1
Alimentation AL1
Disjoncteur magnétothermique DJ1
Sectionneur porte fusibles SQ1
Portes fusibles FU
Relais Thermique RT1
Contacteur KM1
Contacteur KM2
Contacteur KM3
Contacteur KM4
Contacteur KM5
Contacteur KM6
Contacteur KM7
Automate TSX
COMPOSANTS PNEUMATIQUES PALETTICC
Distributeur EV1
Distributeur EV1 (débloquer les bloqueurs)
Distributeur EV2
Distributeur EV3
Distributeur EV4
Distributeur EV5
Groupe de conditionnement
Bloqueurs pneumatiques
CAPTEURS PALETTICC
Capteur Fc1
Capteur Fc2
Capteur Fc4
Capteur Fc7
Capteur Fc8
Capteur Fc9
Interrupteur de sécurité Fc10
Capteur D1
Capteur D2
Capteur D3
Capteur D4
Capteur D7
Capteur D8
Capteur D9
Capteur D10
Capteur D11
Pressostat D12
A4 AMELIORATION CONTINUE
Module de sécurité
Fiche Technique : Module de sécurité PREVENTA
DOSSIERS SYSTEMES
Système RAVOUX
Dossier RAVOUX
Analyse de fonctionnement
Schémas Electriques RAVOUX
Schémas Pneumatiques RAVOUX
Système ECOLPAP
Schémas Electriques ECOLPAP
Schémas Pneumatiques ECOLPAP
Schémas Hydrauliques ECOLPAP
Ressources ECOLPAP
Documentation complète ECOLPAP
Système MALAXEUR
Schémas Electriques MALAXEUR
Schémas Pneumatiques MALAXEUR
Documentation complète MALAXEUR
Système PALETTICC
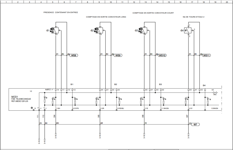
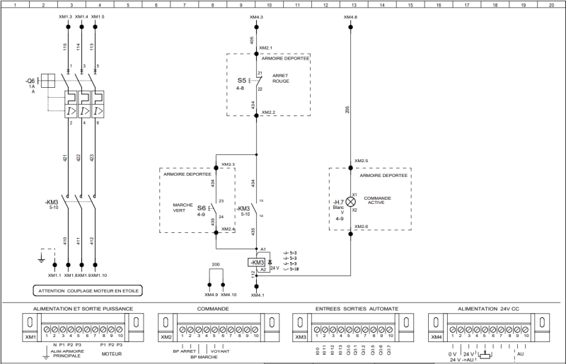
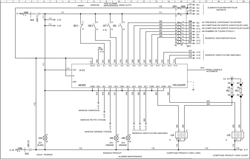
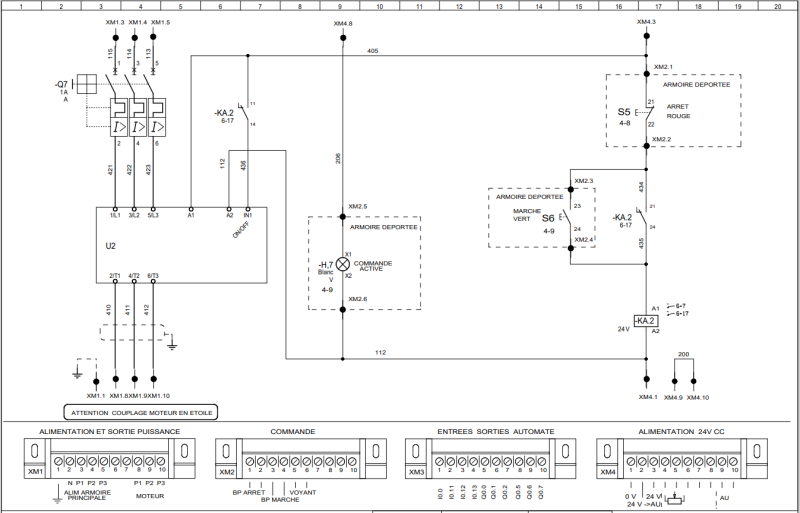
Schémas Electriques PALETTICC
Schémas Pneumatiques PALETTICC
Dossier PALETTICC
Système DEGROUPEUR
Schémas Electriques DEGROUPEUR
Dossier Technique DEGROUPEUR
F1.1 – Fiche signalétique
F1.2 – Fiche technique
F2.1– Définitions des Entrées-Sorties
F2.2 – Instructions d'installation
F2.3 - Instructions d’utilisation
F2.4 – Instructions de maintenance
Système EXTRUDICC
Schémas Electrique EXTRUDICC
Dossier Technique EXTRUDICC
Système ECOLBROYEUR
Schémas Electriques ECOLBROYEUR
Dossier de présentation
Dossier d'instructions et de conduite
Dossier technique Constructeur
Dossier Technique Mécanique
CATALOGUES CONSTRUCTEURS
Catalogue Roulements
Catalogue Outillages
FICHES Construction
TUTO Installation SolidWorks
LECON 1 TELECHARGER FUSION.
LECON 2 LE CUBE
LECON 3 CREUSER UN CYLINDRE SUR UN COTE DU CUBE
LEXIQUE
PROJETS
Perceuse
SYSTEME DEGROUPEUR
HOME
VERS SYSTEME DEGROUPEUR
Créez votre propre site internet avec
Webador
Créez votre propre site internet avec Webador