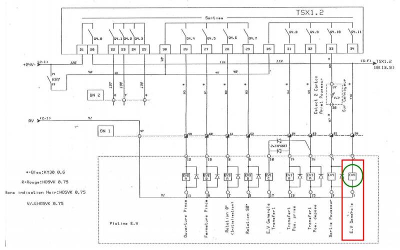
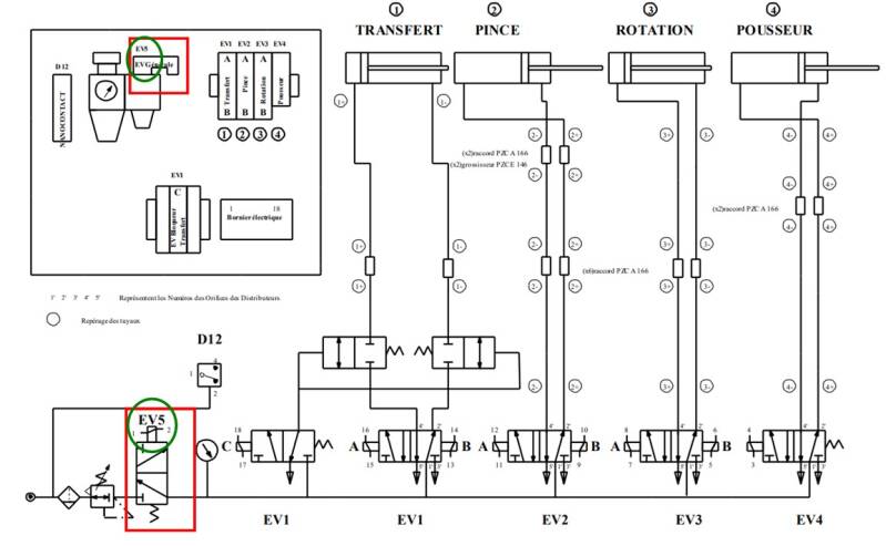
Distributeur EV5



Le distributeur EV5 commande la mise sous pression du système




PRINCIPE :

Lorsque la sortie Q4.11 est actionnée par l'automate, la bobine EV5 du distributeur est alimentée, le tiroir du distributeur change de position, permettant d'envoyer l'air dans le circuit pneumatique.

En cas de coupure de courant ou d'arrêt système, le distributeur revient en position initial et coupe le circuit en air


Bobine du distributeur Ev5 non alimentée

Bobine du distributeur Ev5 alimentée

Créez votre propre site internet avec Webador