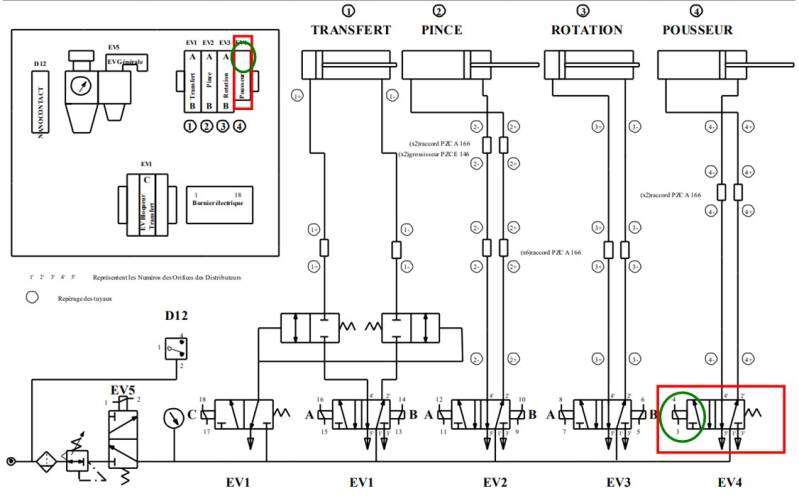
Distributeur EV4



Le distributeur EV1 commande le vérin de TRANSFERT




PRINCPE : 

Lorsque la sortie Q4.10 est actionnée par l'automate, la bobine EV4 du distributeur est alimentée, le tiroir du distributeur change de position, permettant d'envoyer l'air dans le vérin 4. Ainsi la tige du vérin 4 "POUSSEUR" rentre 


Bobine du distributeur Ev4 non alimentée

Bobine du distributeur Ev4 alimentée

Créez votre propre site internet avec Webador